
2024年12月06日,國家知識產權局信息顯示,上海汽車集團股份有限公司(簡稱上汽集團)申請的“一種電驅橋減速器”專利,目前已經進入申請公布階段,公開號CN119078493A,申請日期為2024年10月。

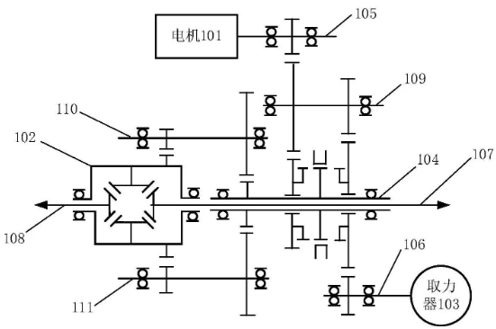
專利摘要:本申請公開了一種電驅橋減速器。該電驅橋減速器包括:電機、差速器、取力器及軸系;軸系的中間軸組中的第一中間軸和第二中間軸設置在軸系中的中心軸的同側,中間軸組中的第二中間軸和第三中間軸設置在中心軸的兩側;電機與取力器分別設置在中心軸的兩側;中心軸空套在軸系的動力輸出軸組中的第一輸出半軸上,并通過第二中間軸和第三中間軸與差速器相連接;差速器分別與第一輸出半軸和動力輸出軸組中的第二輸出半軸連接;取力器通過軸系的取力器輸出軸與中心軸連接。本申請技術方案通過將電機、軸系、取力器設置在動力輸出軸組的中心線兩側,解決了現有技術將減速器集成到橋殼之后由于電驅橋整體受力不佳,導致電驅橋的承載能力較低的問題。
